

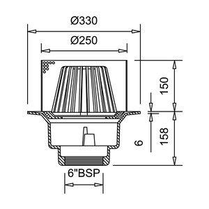
Frost Inverted Roof drain assembly - fixed dome 220mm and 150mm gravel guard, large sump body with clamp, vertical threaded outlet 6" BSP
Online
Check availability
Alton
Check availability
Basildon
Check availability
Coventry
Check availability
Delivery options
Frost Inverted Roof drain assembly, fixed 220mm domed grating with medium sump body and vertical threaded outlet size 6" BSP.
Body, gravel guard and clamp.
Rainwater outlets with domed gratings are suited to inverted roof construction where the waterproof membrane is located above the roof deck but below the insulation layer. The stainless steel gravel guard prevents ballast entering the drainage system during maintenance. Gravel guards higher than 150mm are available.
Cast Iron Grade EN-GJL-150 to BS EN 1561:1997
90%-97% recycled materials
100% recyclable
Stainless Steel BS EN 10088-1:2005
Grade 1.4301 (304) or (316) if specified
Average recyclable content 75%-85%
Polycarbonate dome
SKU | 33.0326 |
Title | Frost Inverted Roof drain assembly - fixed dome 220mm and 150mm gravel guard, large sump body with clamp, vertical threaded outlet 6" BSP |
Net weight | 11.88 Kilograms |
Flow rate | 2.29 |
Body material | CAST IRON |
Outlet type | THREADED |
Grating material | POLYCARBONATE |
Grating type | DOMED |
Frost Products | Download ZIP |
Frost Product Guide & Pricelist Issue 03 | |
Product Specification Sheet | Download PDF |
Related accessories











Related products











Celebrated Alternatives
User Guides

MuckStopper IC 450 For Inspection Chambers
We have designed the MuckStopper IC range to catch the mud and debris which inevitably enters inspection chambers and prevent it from clogging the drainage system below. It protects the drains and saves on clear-out and jetting costs.

MuckStopper RS 400 for Road Gullies
The MuckStopper RS-400 is a removable silt trap bucket with drainage holes at the top. It is designed to be installed in road gullies as a temporary solution during construction. This product offers a first line of defence against silt, catching the majority of it at source.

MuckStopper RS 400 Lite for Road Gullies
The MuckStopper RS-400 Lite is a removable silt trap bucket with drainage holes at the top. It is designed to be installed in road gullies as a temporary solution during construction. This product offers a first line of defence against silt, catching the majority of it at source.
Related articles

All You Need to Know About Grease Traps
Discover how grease traps work, why they’re vital for commercial kitchens, and what UK regulations apply.

Frost Drainage Launches New Website
As a key reseller of Frost Drainage products, we’re excited to share the launch of their brand-new website! Explore their product range and access helpful resources with ease.

Are Frost products BS compliant?
Frost products contain components made from five metals that are subject to mandatory standards: Stainless steel, Nickel bronze, Cast iron, Ductile cast iron...

What is a warm roof, and how does it work?
A warm roof is a type of roof that is designed to conserve heat. This is done by placing the insulation on top of the roof deck instead of between the rafters.

What is a cold roof and how does it work?
A cold roof is one of a couple of different roof construction options for houses to insulate them effectively. Also sometimes referred to as a cold deck roof...

Visit our new website dedicated to roofing, balcony and floor drain outlets
We've just launched an exciting new website! Since we bought the Frost brand and manufacturing several years ago, we have been reintroducing it to the market and reviving this proven system.